металлоконструкции, резервуары, изготовление, доставка монтаж
распечатать
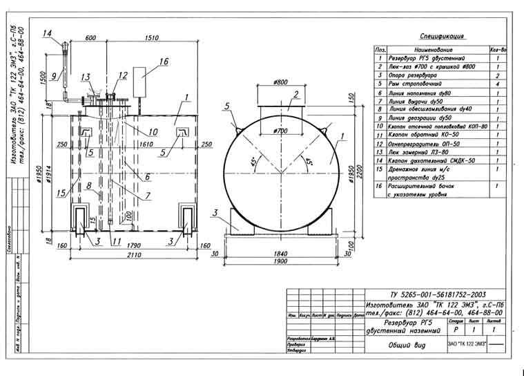
Резервуар горизонтальный РГ5 двустенный, наземный: Лист 1

Офис

195027, г. Санкт-Петербург
ул. Магнитогорская, 51
Бизнес-центр "Магнитка"

Тел.: (812) 464-64-00
Факс: (812) 464-88-00